Be the first to know.
Get our Semiconductors weekly email digest.

Coupled-Inductors Make Multiphase Power Systems Compact and Highly Efficient

Discover how the ERUC23 coupled inductor enables compact, high-efficiency multiphase power systems with reduced ripple, lower losses, and improved thermal management.

author avatar

23 Mar, 2026. 5 minutes read

By Joseph Pulomena, Product Marketing Director, Magnetics at TDK Electronics

By Joseph Pulomena, Product Marketing Director, Magnetics at TDK Electronics

One significant shift in power delivery in high-performance computing and automotive is the transition to 48-volt distribution, historically used in telecommunications. The power requirements of AI computing and high-density storage have moved board-level loads into the kilowatt range. The same applies to high-torque applications like power steering or braking, or like zonal controllers in software-defined vehicles (SDVs). To maintain scalability and efficiency, systems previously operating at 12 volts are transitioning to 48-volt distribution to reduce losses [1] [2] [3].

Higher voltages lead to lower currents for equivalent power levels (P = V/I), reducing both losses (P = I²∙R) and cable gauges. However, efficiently stepping down from 48V to intermediate rails (e.g., 12V, 9.6V, 4.8V) and point-of-load voltages (~1V) is important [4].

But delivering regulated rails from 48V sources at high currents introduces challenges regarding physical footprint and heat dissipation. The use of coupled inductors reduces board space and improves efficiency in multiphase power stages. Coupled inductors use a shared magnetic core to cancel ripple current, reducing losses in switching devices compared to discrete inductor designs [5]

Specifically, the TDK’s coupled inductor ERUC23 provides a high-current option for engineers designing within these real-world constraints [6].

This article examines three key design strategies for today’s power engineers and how components like the ERUC23 support these goals. These strategies include reducing size while boosting efficiency through coupled magnetics, enabling reliable power delivery in 48-volt systems through smarter step-down designs, and improving thermal performance by minimizing component-level losses.

Figure 1: Typical topologies include buck, boost, buck-boost, and hybrid converters [7]

Technical Integration of Coupled Inductors for Enhanced Power Density and Efficiency

Multiphase Architectures and Spatial Constraints

To meet increasing power requirements, multiphase converter architectures are implemented to distribute current across multiple channels, thereby improving thermal distribution and transient response. However, traditional designs utilizing discrete inductors—one per phase—create significant layout constraints in high-current systems (e.g., 4, 8, or 16 phases). These constraints complicate PCB routing and cooling infrastructure within high-density environments [8].

Physical Footprint Reduction through Magnetic Integration

Coupled inductors provide an integrated magnetic solution by utilizing a single magnetic core to support two windings. This allows replacing two discrete inductors with a single component, resulting in a physical footprint reduction of up to 70% compared to separate inductor pairs performing the same function [8]. This increased power density facilitates more compact overall designs without compromising power delivery capabilities.

Electrical Performance and Ripple Current Cancellation

Beyond size reduction, coupled inductors also improve electrical performance. Their shared magnetic core cancels ripple currents between phases, reducing the total ripple current seen by the system. Lower ripple current reduces losses in the switching devices (silicon MOSFETs, GaN HEMTs). In addition, coupled inductors typically experience lower core and copper losses than a solution using two separate inductors under the same load conditions, thanks to better magnetic coupling and ripple current cancellation between phases. These lower inductor losses are complemented by reduced semiconductor switching losses due to the decreased ripple current [8]. 

System-Level Efficiency and Thermal Impact

These combined loss reductions are critical for systems targeting efficiency levels of 95% or higher. In modern power design, incremental improvements are significant; for instance, a 0.2% efficiency gain at a 95% baseline represents a 4% reduction in total power loss. This reduction improves thermal headroom and component longevity. In large-scale deployments—such as hyperscale data centers or electric vehicle (EV) fleets—these fractional gains result in measurable improvements in system reliability and reduced operational cooling costs [8].

Component Implementation: The TDK ERUC23 Coupled Inductor


Mechanical and Electrical Specifications 

The TDK ERUC23 serves as a specific implementation of coupled inductor technology for high-efficiency multiphase systems. The component utilizes a flat-wire winding structure designed to support high saturation currents (up to 97 A) while minimizing DC resistance (RDC). This construction facilitates high power delivery within a compact footprint of 26.8 x 13 mm, limiting thermal rise without requiring expanded physical volume [6] [9].

Scalability and Modular Design 

The ERUC23 is architected for two-phase configurations. To meet higher current requirements in high-performance computing or automotive powertrains, these units can be implemented modularly to create four-phase, eight-phase, or higher-order converter stages. This scalability allows for a standardized approach across diverse power levels while maintaining the benefits of magnetic coupling [6] [8].

Reliability and Automotive Standards 

For applications requiring high mechanical and thermal robustness, ERUC23 is qualified to AEC-Q200 standards. This qualification validates the component's performance in harsh environments typical of automotive and industrial systems. The combination of high current-handling capability and a reduced component count simplifies PCB layouts, a primary requirement when designing within stringent spatial constraints [6] [9].

Thermal Management and System Efficiency 

Thermal design remains a significant constraint in high-power-density systems. As traditional cooling methods, such as forced-air or liquid cooling, introduce additional cost, noise, and mechanical complexity, reducing the thermal load at the source is a primary design objective. By increasing conversion efficiency through ripple current cancellation, coupled inductors reduce the total heat dissipated by both the magnetics and the semiconductor switching devices [3][4].         <grammarly-extension></grammarly-extension><grammarly-extension></grammarly-extension>

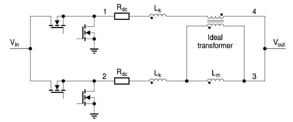
Figure 2: Simplified equivalent circuit for simulation [8]

Figure 3: Connection – single inductors do not have polarity, but the connection is important to get the right performance for a coupled inductor; an incorrect connection would diminish the performance.

In short, pins 1 & 2 should have the same functionality, and pins 3 & 4 have the same functionality. For example, in a buck circuit with two interleaved phases, if pins 1 and 2 relate to switching devices such as MOSFETs, then pins 3 & 4 should be connected to the output as shown above [8]. 

Figure 4: Rdc current sensing with RC filter

Conclusion

Current power design requirements necessitate high performance within increasingly restricted spatial and thermal envelopes. As power densities rise and the adoption of 48-volt architectures becomes standard in high-performance computing and automotive sectors, the performance limitations of traditional discrete components become more pronounced.

The transition from discrete magnetics to shared-core coupled inductors provides a technical approach to address footprint reduction and electrical efficiency simultaneously. By utilizing magnetic coupling to facilitate ripple current cancellation, designers can reduce component volume, simplify PCB layout, and mitigate switching losses [4]. These factors are essential for meeting the stringent thermal management goals of modern high-current systems.

TDK’s ERUC23 serves as a practical implementation of these principles, demonstrating how high saturation current and low DC resistance can be integrated into a compact, AEC-Q200-qualified package. As the requirements for power electronics continue to evolve, the integration of advanced magnetic structures remains a critical strategy for achieving higher power density and efficiency in next-generation systems.

References:

  1. A. Pratt, P. Kumar, and T. V. Aldridge, "Evaluation of 48V DC distribution in data centers to improve energy efficiency," in Proc. IEEE Int. Telecommun. Energy Conf., 2007, pp. 634-639.

  2. Open Compute Project, "Open Rack Standard V2.0," Open Compute Project, Tech. Spec., Dec. 2016. [Online]. Available: https://www.opencompute.org/documents/openrack-standard-v20-overview

  3. B. Bilgin, P. Magne, P. Malysz, Y. Yang, V. Pantelic, M. Preindl, and A. Emadi, " Making the Case for Electrified Transportation”, IEEE Transactions on Transportation Electrification, May. 2015.     

  4. M. Ahmed, C. Fei, F. C. Lee, and Q. Li, "Single-Stage High-Efficiency 48/1 V Sigma Converter With Integrated Magnetics,"  IEEE TRANSACTIONS ON INDUSTRIAL ELECTRONICS, Jan 2020. 

  5. P. L. Wong, P. Xu, P. Yang, and F. C. Lee, "Performance improvements of interleaving VRMs with coupled inductors," IEEE Trans. Power Electron., vol. 16, no. 4, pp. 499-507, Jul. 2001.

  6. TDK Electronics, "SMT power inductors, ERU chokes, ERU 23 series," TDK Product Datasheet [Online]. Available: https://www.tdk-electronics.tdk.com/download/3256314/376de41609830331edcbeee52ff1c7ab/eru-chokes-eru-c23-inside-view.pdf     

  7. B. Yuan and H. Wang, “A Power Loss Sharing Technique for Buck Converters via Current–Temperature–Resistance Model and Dynamic Current Balancing,” Electronics, vol. 14, no. 22, art. no. 4482, Nov. 2025. doi: 10.3390/electronics14224482

  8. EPCOS – TDK Electronics, “ERUC23-1R8K SMT Flat Wire Coupled Inductor,” Digi-Key, Product Page, Part No. ERUC23-1R8K.    

24,000+ Subscribers

Stay Cutting Edge

Join thousands of innovators, engineers, and tech enthusiasts who rely on our newsletter for the latest breakthroughs in the Engineering Community.

By subscribing, you agree to ourPrivacy Policy.You can unsubscribe at any time.