Be the first to know.
Get our Electronics weekly email digest.

Printing a Decimal Counter Circuit with Silver Conductive Ink on FR1

A decimal counter is a digital circuit that cycles through zero to nine using logic components. It is essential in clocks and timers. Making a decimal counter using seven-segment displays offers great opportunities for students to learn sequential logic, clock signals, and circuit integration.

author avatar

01 Oct, 2025. 6 minutes read

This article was first published on

www.voltera.io

In this whitepaper, we demonstrate how Voltera’s V-One platform enables the fabrication of a fully functional decimal counter circuit using silver conductive ink printed directly onto FR-1 board substrates. Through this hands-on example, you’ll see how additive PCB prototyping bridges theory and practice, from circuit design and component integration to real-world operation, and learn practical tips for overcoming fabrication challenges.

The goal of this project was to demonstrate PCB development through key concepts: 

  • Linear and switching regulators
  • Variable resistors
  • Seven-segment displays
  • Prototyping techniques
    • Conductive trace printing
    • Component placement
    • Solder reflow

Design

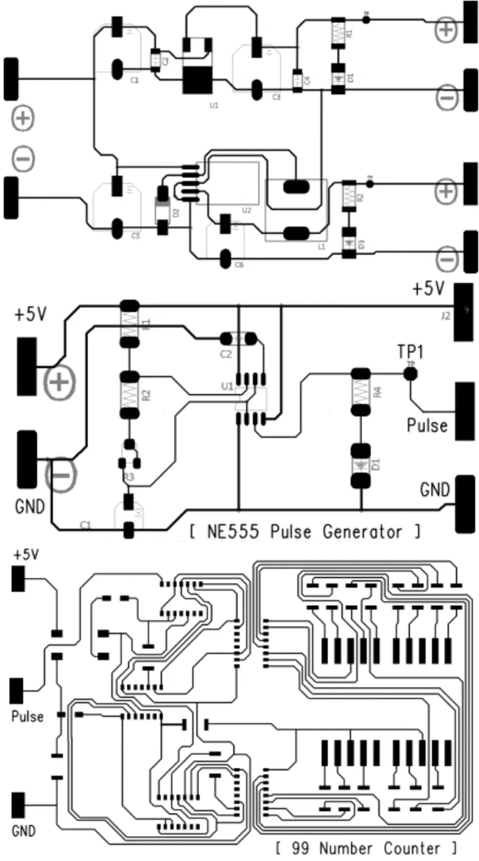
The original PCB layouts were provided by ITIZ, Voltera’s authorized reseller in Korea. We modified the design to create an integrated circuit system, which was comprised of three interconnected PCBs:

  1. Voltage regulator board
  2. Pulse generator board
  3. Decimal counter board

ITIZ design of the boards

Desired outcome

When connected to a 7V–12V DC source, the system should function as follows: 

  • The voltage regulator board converts the input to a steady 5V output.
  • The pulse generator board uses this 5V supply to create adjustable pulse signals.
  • The decimal counter board drives two seven-segment displays to count from 00 to 99 at a speed controlled by the pulse generator.

Functionality

When powered by a 9V battery, the circuit successfully counted from 0 to 99 at an adjustable speed. A reset button allowed restarting the sequence, and the integration of both a linear regulator (78M05) and switching regulator (LM2575) on the same board provided a practical way to compare their efficiency, thermal behavior, and noise generation.

Printing the boards on V-One

Voltage regulator board

This board converts a 9V input into a steady 5V output. It includes the following components:

Part
Part Name
Specification
Quantity
U1SMD regulator78M05 (linear)1
U2SMD regulatorLM2575 (switching)1
D1, D3SMD LED3528 (3.5 mm × 2.8 mm), green2
R1, R2SMD resistor5025 (5 mm × 2.5 mm), 330 Ω2
C2SMD capacitor3216 (3.2 mm × 1.6 mm), 0.1 µF2
C1, C3, C5SMD electrolytic capacitor10 mm × 10 mm, 100 µF3
C6SMD electrolytic capacitor8 mm × 10 mm, 330 µF1
D2SMD diodeDO214AC1
L1SMD inductor330 µH (12.5 mm × 12.5 mm)1

Voltage regulator board design

Voltage regulators maintain a stable output voltage regardless of fluctuations in input voltage or load conditions. They play a critical role in circuit stability by preventing voltage spikes or drops that could damage components. In this circuit, we included two different types of regulators for ease of comparison. 

The 78M05 linear regulator (U1) dissipates excess energy as heat, providing a stable 5V output at lower efficiency. In contrast, the LM2575 switching regulator (U2) achieves higher efficiency by rapidly switching an internal transistor to store energy in an inductor (L1) and capacitor (C6), though this can introduce noise into the circuit due to rapid switching. 

InkVoltera Conductor 3 silver ink
Substrate3” × 4” FR1 board
Nozzle typeVoltera disposable nozzle
Probe pitch5 mm
Probe time7 minutes 58 seconds
Print time10 minutes 52 seconds
Cure Time and Temperature90°C for 5 minutes, and then 170°C for 15 minutes

V-One print settings for all three boards

V-One probing the voltage regulator board

Pulse generator board

This board uses a 555 timer IC (NE555) to generate adjustable pulse signals that drive the decimal counter board. It includes the following components:

Part
Part Name
Specification
Quantity
U1ICNE555 (SOIC package)1
D1LED3528 (3.5 mm × 2.8 mm), green1
R1SMD resistor5025 (5 mm × 2.5 mm), 100 KΩ1
R2SMD resistor5025 (5 mm × 2.5 mm), 47 KΩ1
R4SMD resistor5025 (5 mm × 2.5 mm), 330 Ω1
C2SMD capacitor3216 (3.2 mm × 1.6 mm), 0.1 µF1
C1SMD electrolytic capacitor4 mm × 5 mm, 1 µF1
R3Variable resistorSMD PVG3 1 MΩ1

Puse generator board design.

The NE555 timer (U1) is a versatile and widely-used integrated circuit (IC) that can generate stable time delays or oscillations, depending on the external components configured around it. On this board, it operates in astable mode to generate continuous pulse signals.

The variable resistor (R3) functions as a potentiometer in this circuit, altering the charging and discharging time of capacitor C1. This adjusts the pulse frequency, which controls the counting speed of the seven-segment displays on the decimal counter board.

The green LED (D1) blinks in sync with the output pulses.

InkVoltera Conductor 3 silver ink
Substrate3” × 4” FR1 board
Nozzle typeVoltera disposable nozzle
Probe pitch5 mm
Probe time5 minutes 12 seconds
Print time7 minutes 5 seconds
Cure Time and Temperature90°C for 5 minutes, and then 170°C for 15 minutes

V-One dispensing silver ink on pulse generator board

Decimal counter board

This board drives two seven-segment displays to count from 00 to 99, with adjustable speed (by the pulse generator board) and a reset function. It includes the following components:

Part
Part Name
Specification
Quantity
U5ICSMD 74LS08 (AND gate)1
U3, U4ICSMD 74LS47 (BCD-to-7-segment decoder)2
U1,U2ICSMD 74LS93 (4-bit binary counter)2
SW1Push switchSMD 7 mm × 7 mm1
D1, D2SMD diodeDO214AC2
R15SMD resistor5025 (5 mm × 2.5 mm), 100 Ω1
R1-14SMD resistor5025 (5 mm × 2.5 mm), 150 Ω14
FND1, FND27-segment displayWL-S7DS (common anode)2
JUMPERSMD jumper5025 (5 mm × 2.5 mm), 0 Ω resistor3

Decimal counter board design

A seven-segment display consists of seven individual LEDs arranged to form the shape of the number 8. By turning specific segments on or off, the display can represent any numeral between 0 and 9. 

In this circuit, the 74LS93 counters (U1, U2) process incoming pulses into binary-coded decimal (BCD) outputs. The 74LS47 decoders (U3, U4) convert BCD signals into segment activation patterns for the seven-segment displays (FND1, FND2). A manual reset button (SW1) allows restarting the count.

InkVoltera Conductor 3 silver ink
Substrate3” × 4” FR1 board
Nozzle typeVoltera disposable nozzle
Probe pitch5 mm
Probe time9 minutes 43 seconds
Print time12 minutes 19 seconds
Cure Time and Temperature90°C for 5 minutes, and then 170°C for 15 minutes

V-One dispensing silver ink on decimal counter board

Post-processing

Populating and reflow

After all three circuits were cured, we dispensed solder paste using V-One and carefully populated the components using a pair of tweezers. The solder paste was then reflowed on V-One’s heated bed.

Parameters
Voltage regulator board
Pulse generator board
Decimal counter board
PasteVoltera T4 solder pasteVoltera T4 solder pasteVoltera T4 solder paste
Substrate3” × 4” FR1 board3” × 4” FR1 board3” × 4” FR1 board
Nozzle typeVoltera disposable nozzleVoltera disposable nozzleVoltera disposable nozzle
Probe time2 minutes 13 seconds1 minute 19 seconds2 minutes 41 seconds
Print time7 minutes 45 seconds4 minutes 4 seconds7 minutes 14 seconds
Reflow time and temperature140°C for 45 seconds, and then 190°C for 30 seconds140°C for 45 seconds, and then 190°C for 30 seconds140°C for 45 seconds, and then 190°C for 30 seconds

V-One dispense settings for solder paste

V-One dispensing solder paste on decimal counter board

Connecting the boards

The three boards were linked using JST-SM connectors and wires. We connected the voltage regulator board to a battery and the pulse generator. We then connected the pulse generator outputs to the decimal counter’s clock input pins.

The connected boards

Printing enclosures

To protect the circuits from any impact during handling, we designed and 3D printed three enclosures using PLA filament. 

3D printed enclosures for the boards

Challenges and advice 

Troubleshooting interconnected circuits

Errors in interconnected systems could originate from any board, which made troubleshooting a bit more complex than a single board. To streamline the process, we recommend checking component polarity and orientation before populating the components, and reference their datasheets when necessary. Additionally, it’s helpful to check for continuity with a multimeter, or with an oscilloscope to calculate and view the frequency of the pulses.

Conclusion

This project highlights the potential of additive PCB prototyping in electronics education. By combining theory and practice, students can explore how digital counting systems function, understand the role of BCD-to-seven-segment conversion, and observe how timing signals interact with display components. Direct ink writing platforms like V-One empower the next generation of engineers to innovate beyond breadboards and rapidly iterate on electronics designs. 

If you are interested in exploring other PCB prototyping projects we have completed, take a look at:

Want to be notified when we post new white papers? Sign up for our newsletter.

24,000+ Subscribers

Stay Cutting Edge

Join thousands of innovators, engineers, and tech enthusiasts who rely on our newsletter for the latest breakthroughs in the Engineering Community.

By subscribing, you agree to ourPrivacy Policy.You can unsubscribe at any time.